Produk
Katup Globe Baja Tahan Karat Tekanan Tinggi
  • Katup Globe Baja Tahan Karat Tekanan TinggiKatup Globe Baja Tahan Karat Tekanan Tinggi

Katup Globe Baja Tahan Karat Tekanan Tinggi

Katup globe baja tahan karat bertekanan tinggi yang tahan lama ini, diproduksi oleh JQF Valve, yang mendukung ukuran khusus dan layanan OEM/ODM, sesuai dengan standar global seperti DIN, dan diproduksi menggunakan CNC canggih dan peralatan pengujian untuk memastikan presisi dan kualitas. Itu juga dilengkapi dengan garansi 3 tahun untuk memastikan kinerja yang kuat.

Sebagai pemasok manufaktur katup yang mengintegrasikan R&D, desain, produksi, penjualan, dan layanan, pabrik JQF Valve menawarkan tim teknis yang lengkap dan sistem manajemen mutu. Produk kami banyak digunakan di berbagai bidang seperti minyak bumi, kimia, pembangkit listrik, perlindungan lingkungan, pertambangan batubara, drainase, dan energi baru. Katup globe baja tahan karat bertekanan tinggi berkualitas tinggi dirancang untuk daya tahan dan keandalan, cocok untuk berbagai media dan kondisi suhu. Kami terus mengejar kesempurnaan dan berkomitmen terhadap integritas setiap pelanggan, menyediakan produk dan layanan unggulan kepada mereka. Kami dengan tulus menyambut pelanggan baru dan lama untuk mengunjungi, menelepon, atau menulis surat untuk mendiskusikan bisnis.


1. Bahan batang katup berkekuatan tinggi, terhubung erat ke badan katup, memastikan putaran halus dan pengoperasian mudah.
2. Sekrup yang dipilih dengan cermat memastikan sambungan yang kencang, kokoh, dan tahan karat.
3. Badan katup baja tahan karat memberikan katup globe baja tahan karat bertekanan tinggi yang memiliki ketahanan korosi yang baik dan pencegahan karat.
4. Flensa yang menebal terbuat dari bahan padat dan tersambung dengan aman.

Fitur

1. Nyaman dan Cepat
Struktur sederhana, mudah dibuat dan dirawat.
2. Peralihan Cepat, Tindakan Kecil
Pukulan kerja pendek, respons pembukaan dan penutupan cepat.
3. Tahan lama
Segel ketat, tahan aus dan kuat, umur pemakaian panjang.

Standar Eksekutif

Spesifikasi desain: GB/T 12235
Panjang struktur: GB / T 12221
Sambungan flensa : JB/T 79
Pengujian dan inspeksi: JB/T 9002
Identifikasi produk: GB / T 12220
Spesifikasi pasokan: JB / T 7928

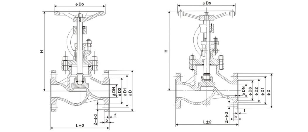
Penampilan utama dan dimensi koneksi

Diameter nominalnya Dimensi eksternal utama dan dimensi koneksi
L D D1 D2 b Zd H D0
J41H-16C
15 130 95 65 45 14-2 4-Φ14 170 120
20 150 105 75 55 14-2 4-Φ14 190 140
25 160 115 85 65 14-2 4-Φ14 205 160
32 180 135 100 78 16-2 4-Φ18 270 180
40 200 145 110 85 16-3 4-Φ18 310 200
50 230 160 125 100 16-3 4-Φ18 358 240
65 290 180 145 120 18-3 4-Φ18 373 240
80 310 195 160 135 20-3 8-Φ18 435 280
100 350 215 180 155 20-3 8-Φ18 500 300
125 400 245 210 185 22-3 8-Φ18 614 320
150 480 280 240 210 24-3 8-Φ23 674 360
200 600 335 295 265 26-3 12-Φ23 811 400
250 650 405 355 320 30-3 12-Φ25 969 450
300 750 460 410 375 30-3 12-Φ25 1145 580
350 850 520 470 435 34-4 16-Φ25 1280 640
400 980 580 525 485 36-4 16-Φ30 1452 640
J41H-25C
15 130 95 65 45 16-2 4-Φ14 170 120
20 150 105 75 55 16-2 4-Φ14 190 140
25 160 115 85 65 16-2 4-Φ14 205 160
32 180 135 100 78 18-2 4-Φ18 270 180
40 200 145 110 85 18-3 4-Φ18 310 200
50 230 160 125 100 20-3 4-Φ18 358 240
65 290 180 145 120 22-3 8-Φ18 373 240
80 310 195 160 135 22-3 8-Φ18 435 280
100 350 230 190 160 24-3 8-Φ23 500 300
125 400 270 220 188 28-3 8-Φ25 614 320
150 480 300 250 218 30-3 8-Φ25 674 360
200 600 360 310 278 34-3 12-Φ25 811 400
250 650 425 370 332 36-3 12-Φ30 969 450
300 750 485 430 390 40-4 16-Φ30 1145 580
350 850 550 490 448 44-4 16-Φ34 1280 640
400 980 610 550 505 48-4 16-Φ34 1452 640

Gambar struktur

Tag Panas: Katup Globe Stainless Steel Tekanan Tinggi, Cina, Disesuaikan, Kualitas, Tahan Lama, Canggih, Produsen, Pemasok, Pabrik, dalam Stok
mengirimkan permintaan
Info kontak
  • Alamat

    No.1, Jalan 1 Utara, Kota Baru Stainless Steel, Jalan Barat Dunia Baja Lecong, Distrik Shunde, Kota Foshan, Provinsi Guangdong, Cina

Untuk pertanyaan tentang katup gerbang, katup globe, dan katup periksa atau daftar harga, silakan tinggalkan email Anda kepada kami dan kami akan menghubungi Anda dalam waktu 24 jam.

X
Kami menggunakan cookie untuk menawarkan Anda pengalaman penelusuran yang lebih baik, menganalisis lalu lintas situs, dan mempersonalisasi konten. Dengan menggunakan situs ini, Anda menyetujui penggunaan cookie kami. Kebijakan Privasi
Menolak Menerima