Produk
Katup Bola Baja Tahan Karat
  • Katup Bola Baja Tahan KaratKatup Bola Baja Tahan Karat

Katup Bola Baja Tahan Karat

Katup globe baja tahan karat J41H, J41Y, J41W yang tahan lama diproduksi oleh JQF Valve. Bagian pembuka dan penutupnya berupa penutup katup berbentuk silinder, permukaan penyegelannya datar atau berbentuk kerucut, dan penutup katup bergerak secara linier sepanjang garis tengah fluida. Katup pemutus baja tahan karat hanya cocok untuk pembukaan penuh dan penutupan penuh. Umumnya tidak digunakan untuk mengatur laju aliran. Itu dapat disesuaikan dan dibatasi saat disesuaikan.
Foshan Jinqiu Valve Co., LTD. adalah produsen katup globe baja tahan karat berkualitas tinggi yang mengintegrasikan desain, pengembangan, manufaktur, penjualan, dan layanan. Produk utama kami meliputi berbagai katup kontrol, katup listrik, katup pneumatik, katup solenoid, katup manual, aktuator, dan aksesori katup.
Globe valve baja tahan karat kami adalah katup gerbang dengan badan cor baja tahan karat, sambungan flensa di kedua ujungnya, dan struktur katup gerbang. Fungsi intinya adalah mengatur aliran secara tepat atau mematikan media di dalam pipa dengan andal.
Karena ketahanannya terhadap korosi yang sangat baik dan kinerja penyegelan yang andal, katup ini telah menjadi salah satu katup pilihan untuk media korosif atau aplikasi dengan kebersihan tinggi dalam industri kimia, petrokimia, makanan, dan farmasi.
Customers trust JQF valves' high quality, reliable performance, and good and comprehensive customer service. We will continue to innovate to provide first-class valve solutions.

1. Struktur Sederhana: Desain katup globe baja tahan karat sederhana, membuat pembuatan dan pemeliharaan menjadi nyaman dan efisien.
2. Respon Cepat: Langkah kerja pendek memungkinkan pembukaan dan penutupan katup yang sangat cepat.
3. Penyegelan Tahan Lama: Efek penyegelan yang sangat baik, ketahanan gesekan minimal, dan masa pakai yang lama.

Standar Eksekutif

Spesifikasi desain: GB/T 12235
Panjang struktur: GB / T 12221
Sambungan flensa : JB/T 79
Pengujian dan inspeksi: JB/T 9002
Identifikasi Produk: GB / T 12220
Spesifikasi pengiriman : JB/T 7928

Parameter Kinerja

model J41H-16C~160C J41Y-16C~160C J41W-16P~160P
Tekanan kerja(MPa) 1.6~16.0
suhu yang tepat(℃) ≤425 ≤150
Media yang cocok Air, uap, minyak Media korosif yang lemah
bahan Bodi, kap mesin Baja karbon Baja tahan karat nikel-titanium krom
Batang katup Baja tahan karat krom Baja tahan karat nikel-titanium krom
Permukaan penyegelan Melapisi paduan berbahan dasar besi Paduan permukaan keras Bahan tubuh
pengisi Grafit asbes, grafit fleksibel, PTFE

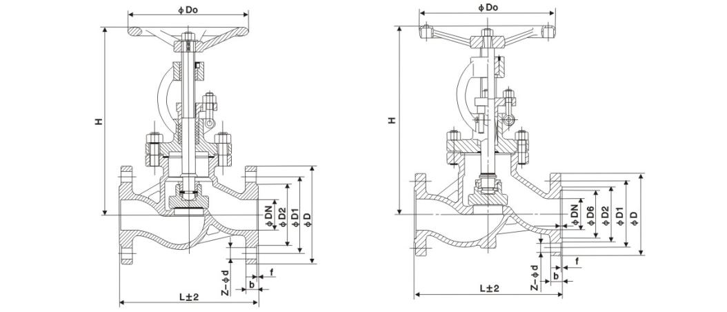
Bentuk utama dan ukuran sambungan

Diameter nominalnya Dimensi utama dan dimensi koneksi
L D D1 D2 b Zd H D0
J41H-16C
15 130 95 65 45 14-2 4-Φ14 170 120
20 150 105 75 55 14-2 4-Φ14 190 140
25 160 115 85 65 14-2 4-Φ14 205 160
32 180 135 100 78 16-2 4-Φ18 270 180
40 200 145 110 85 16-3 4-Φ18 310 200
50 230 160 125 100 16-3 4-Φ18 358 240
65 290 180 145 120 18-3 4-Φ18 373 240
80 310 195 160 135 20-3 8-Φ18 435 280
100 350 215 180 155 20-3 8-Φ18 500 300
125 400 245 210 185 22-3 8-Φ18 614 320
150 480 280 240 210 24-3 8-Φ23 674 360
200 600 335 295 265 26-3 12-Φ23 811 400
250 650 405 355 320 30-3 12-Φ25 969 450
300 750 460 410 375 30-3 12-Φ25 1145 580
350 850 520 470 435 34-4 16-Φ25 1280 640
400 980 580 525 485 36-4 16-Φ30 1452 640
J41H-25C
15 130 95 65 45 16-2 4-Φ14 170 120
20 150 105 75 55 16-2 4-Φ14 190 140
25 160 115 85 65 16-2 4-Φ14 205 160
32 180 135 100 78 18-2 4-Φ18 270 180
40 200 145 110 85 18-3 4-Φ18 310 200
50 230 160 125 100 20-3 4-Φ18 358 240
65 290 180 145 120 22-3 8-Φ18 373 240
80 310 195 160 135 22-3 8-Φ18 435 280
100 350 230 190 160 24-3 8-Φ23 500 300
125 400 270 220 188 28-3 8-Φ25 614 320
150 480 300 250 218 30-3 8-Φ25 674 360
200 600 360 310 278 34-3 12-Φ25 811 400
250 650 425 370 332 36-3 12-Φ30 969 450
300 750 485 430 390 40-4 16-Φ30 1145 580
350 850 550 490 448 44-4 16-Φ34 1280 640
400 980 610 550 505 48-4 16-Φ34 1452 640

Gambar struktur

Tag Panas: Katup Globe Stainless Steel, Cina, Disesuaikan, Kualitas, Tahan Lama, Canggih, Produsen, Pemasok, Pabrik, dalam Stok
mengirimkan permintaan
Info kontak
  • Alamat

    No.1, Jalan 1 Utara, Kota Baru Stainless Steel, Jalan Barat Dunia Baja Lecong, Distrik Shunde, Kota Foshan, Provinsi Guangdong, Cina

Untuk pertanyaan tentang katup gerbang, katup globe, dan katup periksa atau daftar harga, silakan tinggalkan email Anda kepada kami dan kami akan menghubungi Anda dalam waktu 24 jam.

X
Kami menggunakan cookie untuk menawarkan Anda pengalaman penelusuran yang lebih baik, menganalisis lalu lintas situs, dan mempersonalisasi konten. Dengan menggunakan situs ini, Anda menyetujui penggunaan cookie kami. Kebijakan Privasi
Menolak Menerima