Produk
Katup Globe Bergelang Baja Tahan Karat
  • Katup Globe Bergelang Baja Tahan KaratKatup Globe Bergelang Baja Tahan Karat

Katup Globe Bergelang Baja Tahan Karat

Katup globe bergelang baja tahan karat J41H, J41Y, dan J41W berkualitas tinggi yang diproduksi oleh pabrik JQF Valve adalah komponen pembuka dan penutup katup silinder. Permukaan perapatnya datar atau berbentuk kerucut, dan katup bergerak secara linier sepanjang garis tengah fluida. Katup gerbang GB hanya cocok untuk aplikasi terbuka penuh dan tertutup penuh dan umumnya tidak digunakan untuk pengaturan aliran. Kustomisasi untuk regulasi dan pembatasan tersedia berdasarkan permintaan.


JQF Valve adalah pabrik manufaktur katup proses penuh yang mengintegrasikan penelitian ilmiah, desain, produksi, penjualan, dan layanan purna jual. Katup globe bergelang baja tahan karat berkualitas tinggi kami adalah katup pengaman yang dirancang khusus untuk kontrol penghentian saluran pipa pada media seperti amonia dan gas alam. Ini fitur kinerja penyegelan yang stabil, ketahanan korosi yang kuat, dan pengoperasian yang mudah. Terbuat dari bahan tahan korosi seperti baja tahan karat, sangat cocok untuk industri kimia, memecahkan masalah ketahanan korosi yang buruk dan mudahnya kebocoran pada katup biasa. Ini juga dapat digunakan untuk mengatur aliran. Kami mengatur manajemen produksi dan operasi kami sesuai dengan standar sistem mutu GB/T19001-2000-ISO9001:2000, dipandu oleh prinsip "membuat produk berkualitas tinggi." Kami terus memperkenalkan jalur produksi dan peralatan canggih secara internasional, dan terus mengembangkan produk baru untuk memenuhi kebutuhan pelanggan. Melihat ke masa depan, izinkan kami memberi Anda layanan komprehensif melalui internet dan komunikasi interaktif.


1. Pemilihan bahan yang ketat memastikan kualitas.
2. Katup globe bergelang baja tahan karat tahan aus, tahan korosi, tahan tekanan tinggi, dan tahan suhu tinggi, dengan masa pakai yang lama.
3. Fleksibel untuk dipasang, mudah dibongkar, dan dilengkapi rotasi roda tangan yang nyaman.
4. Katup globe bergelang baja tahan karat tahan air dan tahan debu, dengan struktur yang masuk akal, desain sempurna, dan kinerja penyegelan yang sangat baik.
5. Katup globe bergelang baja tahan karat terutama digunakan untuk mengontrol amonia, bahan bakar gas, dan media gas seperti nitrogen dan hidrogen.

Standar Implementasi

Spesifikasi desain: GB/T 12235
Panjang struktur: GB / T 12221
Sambungan flensa : JB/T 79
Pengujian dan inspeksi: JB/T 9002
Identifikasi Produk: GB / T 12220
Spesifikasi pengiriman : JB/T 7928

Parameter kinerja

model J41H-16C~160C J41Y-16C~160C J41W-16P~160P
Tekanan kerja(MPa) 1.6~16.0
suhu yang tepat(℃) ≤425 ≤150
Media yang cocok Air, uap, minyak Media korosif yang lemah
bahan Bodi, kap mesin Baja karbon Baja tahan karat nikel-titanium krom
Batang katup Baja tahan karat krom Baja tahan karat nikel-titanium krom
Permukaan penyegelan Melapisi paduan berbahan dasar besi Paduan permukaan keras Bahan tubuh
pengisi Grafit asbes, grafit fleksibel, PTFE

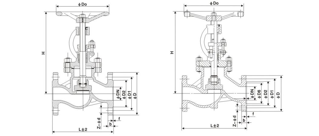
Bentuk utama dan dimensi sambungan

Diameter nominalnya Dimensi utama dan dimensi koneksi
L D D1 D2 b Zd H D0
J41H-16C
15 130 95 65 45 14-2 4-Φ14 170 120
20 150 105 75 55 14-2 4-Φ14 190 140
25 160 115 85 65 14-2 4-Φ14 205 160
32 180 135 100 78 16-2 4-Φ18 270 180
40 200 145 110 85 16-3 4-Φ18 310 200
50 230 160 125 100 16-3 4-Φ18 358 240
65 290 180 145 120 18-3 4-Φ18 373 240
80 310 195 160 135 20-3 8-Φ18 435 280
100 350 215 180 155 20-3 8-Φ18 500 300
125 400 245 210 185 22-3 8-Φ18 614 320
150 480 280 240 210 24-3 8-Φ23 674 360
200 600 335 295 265 26-3 12-Φ23 811 400
250 650 405 355 320 30-3 12-Φ25 969 450
300 750 460 410 375 30-3 12-Φ25 1145 580
350 850 520 470 435 34-4 16-Φ25 1280 640
400 980 580 525 485 36-4 16-Φ30 1452 640
J41H-25C
15 130 95 65 45 16-2 4-Φ14 170 120
20 150 105 75 55 16-2 4-Φ14 190 140
25 160 115 85 65 16-2 4-Φ14 205 160
32 180 135 100 78 18-2 4-Φ18 270 180
40 200 145 110 85 18-3 4-Φ18 310 200
50 230 160 125 100 20-3 4-Φ18 358 240
65 290 180 145 120 22-3 8-Φ18 373 240
80 310 195 160 135 22-3 8-Φ18 435 280
100 350 230 190 160 24-3 8-Φ23 500 300
125 400 270 220 188 28-3 8-Φ25 614 320
150 480 300 250 218 30-3 8-Φ25 674 360
200 600 360 310 278 34-3 12-Φ25 811 400
250 650 425 370 332 36-3 12-Φ30 969 450
300 750 485 430 390 40-4 16-Φ30 1145 580
350 850 550 490 448 44-4 16-Φ34 1280 640
400 980 610 550 505 48-4 16-Φ34 1452 640

Gambar struktur

Tag Panas: Katup Globe Bergelang Stainless Steel, Cina, Disesuaikan, Kualitas, Tahan Lama, Canggih, Produsen, Pemasok, Pabrik, dalam Stok
mengirimkan permintaan
Info kontak
  • Alamat

    No.1, Jalan 1 Utara, Kota Baru Stainless Steel, Jalan Barat Dunia Baja Lecong, Distrik Shunde, Kota Foshan, Provinsi Guangdong, Cina

Untuk pertanyaan tentang katup gerbang, katup globe, dan katup periksa atau daftar harga, silakan tinggalkan email Anda kepada kami dan kami akan menghubungi Anda dalam waktu 24 jam.

X
Kami menggunakan cookie untuk menawarkan Anda pengalaman penelusuran yang lebih baik, menganalisis lalu lintas situs, dan mempersonalisasi konten. Dengan menggunakan situs ini, Anda menyetujui penggunaan cookie kami. Kebijakan Privasi
Menolak Menerima