Produk
Katup Periksa Ayun
  • Katup Periksa AyunKatup Periksa Ayun

Katup Periksa Ayun

Jinqiu Valve memproduksi swing check valve yang berkualitas, katup otomatis juga dikenal sebagai katup satu arah atau check valve. Fungsinya untuk mencegah media dalam pipa mengalir kembali sehingga fluida dapat mengalir dalam satu arah. Ini secara efektif mencegah aliran balik (return flow) yang dapat merusak sistem perpipaan. Katup membuka atau menutup komponen buka dan tutupnya oleh aliran dan gaya medium untuk mencegah medium mengalir kembali.
Jinquan Valve is a high-tech enterprise integrating valve product research, production, sales, and service. As an H44H and H44Y type PN16 ~ PN250 swing check valves supplier, our customized swing check valves are suitable for pressures of 1.6 ~ 25MPa, working temperatures of -29 ~ +550 ℃, and are applicable to pipeline conditions in the petroleum, chemical, pharmaceutical, fertilizer, power industries, and other environments. Applicable media include water, oil, steam, acidic media, and so on. We have been operating in the valve manufacturing field for over twenty years. With our experience, we have won high praise from the market for our reasonable prices, high quality, and attentive service.

1. Pembukaan dan Penutupan Otomatis: Katup periksa ayun membuka dan menutup secara otomatis berdasarkan kekuatan aliran media. Ketika media mengalir ke arah yang ditentukan, cakram katup didorong terbuka, dan katup terbuka. Ketika media berhenti mengalir atau mengalir balik, cakram katup menutup karena beratnya sendiri atau gaya pegas, sehingga mencegah aliran balik. Tidak diperlukan operasi manual, mencapai kontrol otomatis.
2. Penyegelan yang Andal: Permukaan penyegelan cakram katup dan dudukan biasanya terbuat dari paduan berbahan dasar besi yang dilas atau paduan keras berbahan dasar kobalt Stellite, yang tahan aus, tahan panas, tahan korosi, dan memiliki ketahanan gores yang baik. Hal ini memastikan efek penyegelan stabil jangka panjang dan secara efektif mencegah kebocoran media. 3. Saluran Aliran Tak Terhalang: Saluran aliran dirancang secara rasional, sehingga menghasilkan resistansi fluida yang rendah. Media dapat melewati katup periksa ayun dengan lancar, sehingga mengurangi kehilangan tekanan dan konsumsi energi.

Parameter kinerja

model H44H-16C~250 H44W-16P~250
Tekanan kerja(MPa) 1,6~25
suhu yang tepat(℃) ≤425 ≤550
Media yang cocok Air, uap, minyak Media korosif yang lemah
bahan Bodi, kap mesin, cakram Baja karbon Baja tahan karat nikel-titanium krom
Permukaan penyegelan Paduan berbasis besi permukaan baja karbon Tubuh tersegel

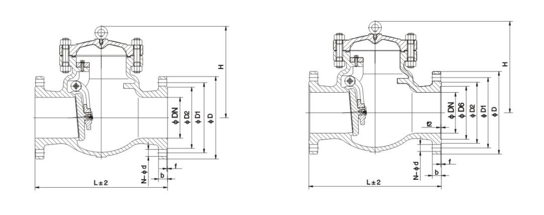
Bentuk utama dan dimensi sambungan

Diameter nominalDN Dimensi utama dan dimensi koneksi
L D D1 D2 b Zd H
H44H-16C H44W-16C H44W-16P H44W-16R H44W-16I
25 160 115 85 65 16 4-14 100
32 180 135 100 78 16 4-18 105
40 200 145 100 85 16 4-18 115
50 230 160 125 100 16 4-18 135
65 290 180 145 120 18 4-18 142
80 310 195 160 135 20 8-18 165
100 350 215 180 155 20 8-18 180
125 400 245 210 185 22 8-18 210
150 480 280 240 210 24 8-23 233
200 500 335 295 265 26 12-23 304
250 550 405 355 320 30 12-25 348
300 650 460 410 375 30 12-25 390
350 750 520 470 435 34 16-25 430
400 850 580 525 485 36 16-30 468
H44H-25 H44W-25 H44W-25P H44W-25R H44W-25I
25 160 115 85 65 16 4-14 100
32 180 135 100 78 16 4-18 105
40 200 145 110 85 16 4-18 115
50 230 160 125 100 20 4-18 160
65 290 180 145 120 22 8-18 175
80 310 195 160 135 22 8-18 185
100 350 230 190 160 24 8-23 220
125 400 270 220 188 28 8-25 248
150 480 300 250 218 30 8-25 276
200 550 360 310 278 34 12-25 350
250 650 425 370 332 36 12-30 410
300 750 485 430 390 40 16-30 430
350 850 550 490 448 44 16-34 518
400 950 610 550 505 48 16-34 560

Gambar struktur

Tag Panas: Katup Periksa Ayun, Cina, Disesuaikan, Kualitas, Tahan Lama, Canggih, Produsen, Pemasok, Pabrik, dalam Stok
mengirimkan permintaan
Info kontak
  • Alamat

    No.1, Jalan 1 Utara, Kota Baru Stainless Steel, Jalan Barat Dunia Baja Lecong, Distrik Shunde, Kota Foshan, Provinsi Guangdong, Cina

Untuk pertanyaan tentang katup gerbang, katup globe, dan katup periksa atau daftar harga, silakan tinggalkan email Anda kepada kami dan kami akan menghubungi Anda dalam waktu 24 jam.

X
Kami menggunakan cookie untuk menawarkan Anda pengalaman penelusuran yang lebih baik, menganalisis lalu lintas situs, dan mempersonalisasi konten. Dengan menggunakan situs ini, Anda menyetujui penggunaan cookie kami. Kebijakan Privasi
Menolak Menerima