Produk
Katup Periksa API
  • Katup Periksa APIKatup Periksa API

Katup Periksa API

Katup periksa API berkualitas tinggi Jinqiu Valve memenuhi standar ASME, API, dan GB. Dilengkapi dengan pusat permesinan CNC canggih dan peralatan pemotongan logam, perusahaan ini menggunakan teknologi CAD/CAM dalam desain dan manufaktur produk, mengikuti standar ISO9001 untuk memastikan presisi dan kualitas suku cadang katup periksa API-nya.

Jinqiu Valve, produsen katup periksa profesional di Tiongkok, katup periksa API kami dirancang dan diproduksi seluruhnya sesuai dengan standar Amerika. Katup ini memiliki struktur estetis dan teknologi canggih. Katup periksa API secara otomatis membuka dan menutup cakram katup berdasarkan aliran media itu sendiri untuk mencegah aliran balik. Katup ini juga dikenal sebagai katup satu arah, katup periksa, atau katup aliran balik. Fungsi utamanya adalah untuk mencegah aliran balik media, mencegah pembalikan pompa dan motor penggerak, serta mencegah kebocoran media di dalam wadah.


1. Resistansi Aliran Rendah: Ketika katup periksa API terbuka penuh, jalur aliran hampir tidak terhalang, sehingga menghasilkan penurunan tekanan yang rendah.
2. Penutupan Cepat dan Pencegahan Aliran Balik: Tindakan tuas pada cakram katup memungkinkan respons dan penutupan yang cepat bahkan pada permulaan aliran balik.
3. Penerapan yang Luas: Cocok untuk berbagai diameter pipa, dari DN50 hingga DN1200 ke atas.

Parameter kinerja

Nomor seri nama proyek parameter
1 Tekanan nominalPN(MPa) 150LB 300LB 600LB 900LB 1500LB 2500LB
2.0 5.0 10.0 15.0 25.0 42.0
2 Tekanan uji kekuatan cangkang Tekanan nominal pada suhu kamar 1,5 kali
3 Tekanan uji segel tekanan tinggi Tekanan nominal pada suhu kamar 1,1 kali
4 Tekanan kerja pada suhu kamar Tekan peringkat tekanan dan suhu ASME B16.34

Spesifikasi produk

standar desain Panjang struktur Ukuran sambungan flensa Tes dan inspeksi Referensi tekanan dan suhu
API6D/ASME B16.34 ASME B16.10 ASME B16.5 API598/API6D ASME B16.34

Bahan bagian utama

Nama Bagian Nama bahan
Tubuh A216 WCB A217 WC6 A351 CF8 A351 CF8M A351 CF3 A351 CF3M
topi A216 WCB A217 WC6 A351 CF8 A351 CF8M A351 CF3 A351 CF3M
Pelat katup A216 WCB A217 WC6 A351 CF8 A351 CF8M A351 CF3 A351 CF3M
Permukaan penyegelan 13Cr/STL STL Tubuh / STL Tubuh / STL Tubuh / STL Tubuh / STL
Poros katup A182 F6a A182 F11 A182 F304 A182 F316 A182 F304L A182 F316L
Paking Grafit fleksibel Grafit fleksibel Grafit fleksibel Grafit fleksibel Grafit fleksibel Grafit fleksibel
baut A193 B7 A193 B16 A193 B8 A193 B8M A193 B8 A193 B8M
Kacang A194 2 jam A194 4 A194 8 A194 8M A194 8 A194 8M
Suhu pengoperasian -29~425℃ -29~540℃ -46~425℃ -46~425℃ -46~425℃ -46~425℃
Media yang cocok uap uap Korosif yang lemah Korosif yang lemah Korosif yang lemah Korosif yang lemah

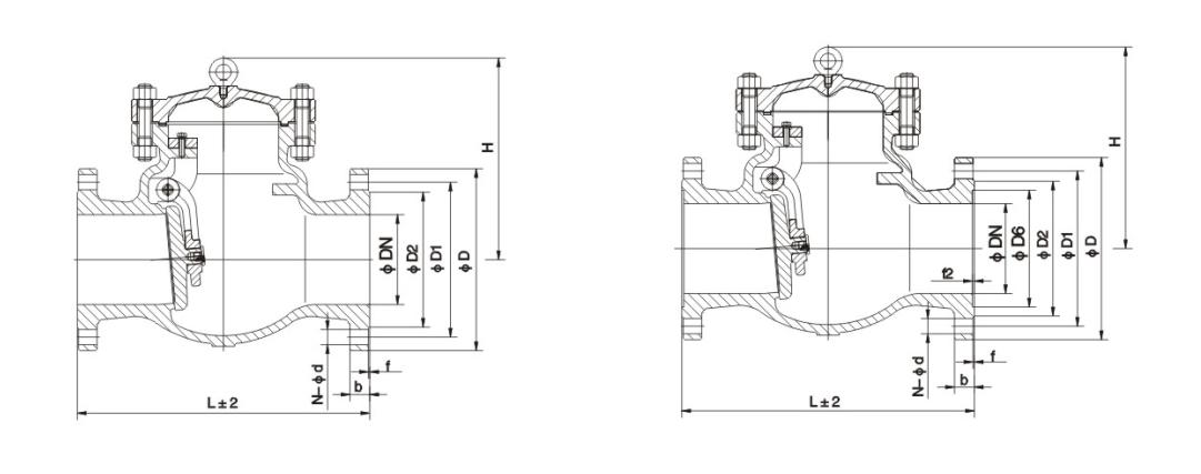
Bentuk utama dan dimensi sambungan

Diameter nominalnya ukuran
m di dalam L D D1 D2 b f n-Φd H
H44H-150Lb
50 2 203 152 120.5 92 16 1.6 4-19 180
80 3 241 192 152.5 127 19 1.6 4-19 190
100 4 297 229 190.5 157 24 1.6 8-19 203
125 5 330 254 216 186 24 1.6 8-22 229
150 6 356 279 241.5 216 26 1.6 8-22 257
200 8 495 342 298.5 270 29 1.6 8-22 292
250 10 622 406 362 324 31 1.6 12-25 355
300 12 698 483 432 381 32 1.6 12-25 396
H44H-300Lb
50 2 267 165 127 92 23 1.6 8-19 178
80 3 318 210 168.5 127 29 1.6 8-22 216
100 4 356 254 200 157 32 1.6 8-22 241
125 5 400 279 235 186 35 1.6 8-22 267
150 6 444 318 270 216 37 1.6 12-22 305
200 8 533 381 330 270 42 1.6 12-25 368
250 10 622 445 387 324 48 1.6 16-29 394
300 12 711 521 451 381 51 1.6 16-32 445
H44H-600Lb
50 2 295 165 127 92 33 6.4 8-19 203
80 3 359 210 168 127 36 6.4 8-22 235
100 4 435 273 216 157 45 6.4 8-25 286
125 5 511 330 266.5 186 52 6.4 8-29 292
150 6 562 356 292 216 55 6.4 12-29 330
200 8 664 419 349 270 63 6.4 12-32 381
250 10 791 510 432 324 71 6.4 16-35 457
300 12 842 559 489 381 74 6.4 20-35 584

Gambar struktur

Tag Panas: Katup Periksa API, Cina, Disesuaikan, Kualitas, Tahan Lama, Canggih, Produsen, Pemasok, Pabrik, dalam Stok
mengirimkan permintaan
Info kontak
  • Alamat

    No.1, Jalan 1 Utara, Kota Baru Stainless Steel, Jalan Barat Dunia Baja Lecong, Distrik Shunde, Kota Foshan, Provinsi Guangdong, Cina

Untuk pertanyaan tentang katup gerbang, katup globe, dan katup periksa atau daftar harga, silakan tinggalkan email Anda kepada kami dan kami akan menghubungi Anda dalam waktu 24 jam.

X
Kami menggunakan cookie untuk menawarkan Anda pengalaman penelusuran yang lebih baik, menganalisis lalu lintas situs, dan mempersonalisasi konten. Dengan menggunakan situs ini, Anda menyetujui penggunaan cookie kami. Kebijakan Privasi
Menolak Menerima